ÖÙ²©
0577-62888098
Ê×Ò³
¹ØÓÚÖÙ²©
ÈÙÓþ×ÊÖÊ
²úÆ·ÖÐÐÄ
DW16M-400-630 ×Ô¶¯Ãð´Å¿ª¹Ø
DW15¡¢DW16¡¢DW17ϵÁÐ ÍòÄÜʽ¶Ï·Æ÷
ÍòÄÜʽ¶Ï·Æ÷DW15ϵÁÐ
ÍòÄÜʽ¶Ï·Æ÷DW16 ϵÁÐ
³åѹ¼þϵÁÐ
ÖÇÄÜÐÍÍòÄÜʽ¶Ï·Æ÷DW45 ϵÁÐ
JLGL ϵÁиôÀ뿪¹Ø
JLGLC ϵÁиôÀ뿪¹Ø
JLGLCK ϵÁиôÀ뿪¹Ø
JLGLZ1 ϵÁÐת»»¸ôÀ뿪¹Ø
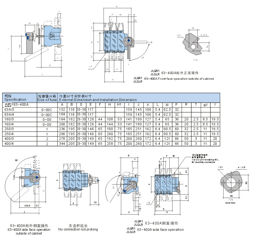
JLGLR ϵÁиôÀ뿪¹ØÈÛ¶ÏÆ÷×é
JLGLD ϵÁÐ×Ô¶¯×ª»»¿ª¹Ø
ÐÂÎÅ×ÊѶ
¹«Ë¾ÐÂÎÅ
ÐÐÒµ×ÊѶ
ÏÂÔØÖÐÐÄ
ÁªÏµÖÙ²©
Ó¢Îİæ
²úÆ·ÖÐÐÄ
Product Course
JLGLR-400A-3
²úƷͼƬ
¸ÅÊö
²úÆ·ÏêÇé
·µ»ØÁбí